新闻资讯
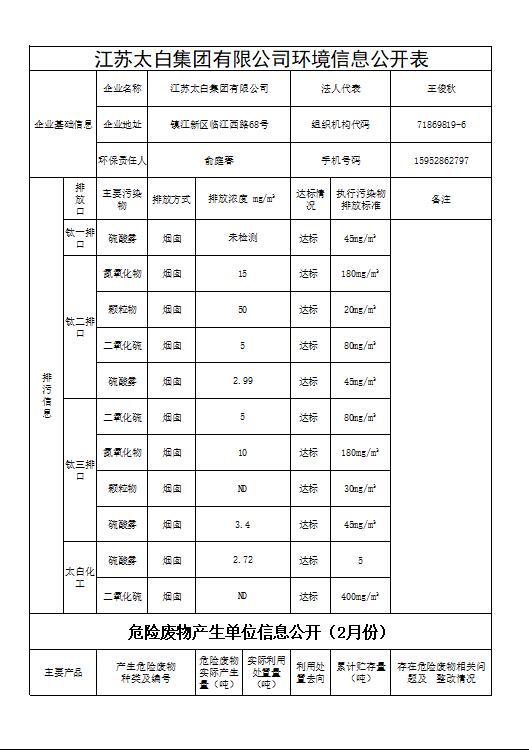
江苏太白集团有限公司环境信息公开表
时间:22-12-03作者:太白集团


微信公众号

网站首页   |  企业概况   |  新闻资讯   |  产品展示   |  人才招聘   |  联系我们   |  留言反馈
江苏太白集团有限公司 地址:江苏镇江市临江西路68号 电话:86-511-83362923
技术支持:江苏易润

苏公网安备32110102321236号

苏ICP备19060481号

江苏太白集团有限公司环境信息公开表

时间:22-12-03  点击:1548次

联系我们

  • 江苏镇江市临江西路68号

  • 86-511-83362923

  • xjx@global-tio2.com